Фотография «Поцелуй», сделанная Дарьей Сидоренко и Натальей Швындиной, вышла в финал конкурса Science Photo Competition.

Фотография «Поцелуй», сделанная Дарьей Сидоренко и Натальей Швындиной из НУЦ СВС НИТУ «МИСиС» для конкурса «Бесконечная наука», вышла в финал российской части панъевропейского конкурса научной фотографии и визуализации Science Photo Competition.
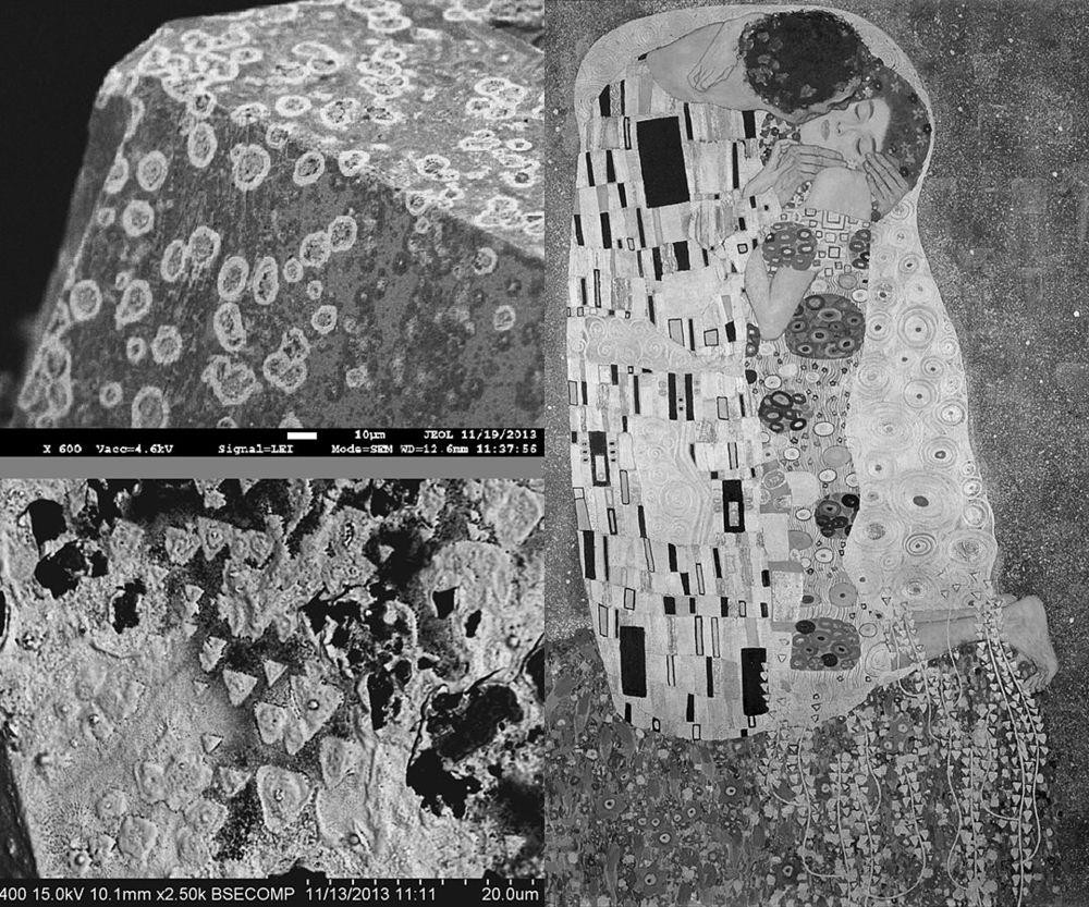
На фотографии изображено покрытие карбида вольфрама на алмазном зерне, защищающее его от графитизации при повышенных температурах (например, во время эксплуатации алмазного режущего инструмента). Покрытие образовалось самопроизвольно, по механизму газотранспортных реакций, во время спекания алмазов с металлической матрицей системы Fe-Cu-Co-Ni. Кольцевая форма зерен обусловлена прилеганием к алмазу зерен матричного материала, содержащих металлы-катализаторы графитизации. Вокруг них зарождается покрытие карбида вольфрама. Треугольные структуры на поверхности алмаза обусловлены формой поверхностных дефектов алмазного зерна.
Полученные узоры напоминают не только мозаичную технику Густава Климта, но и создают ассоциацию с сюжетом картины «Поцелуй», на которой мужчина бережно обнимает женщину, укрывая ее от внешнего мира. Фотографии получены с помощью сканирующих электронных микроскопов JSM-7600F (JEOL, Япония) и Hitachi S-3400N (Япония).
Фотография Дарьи Сидоренко и Натальи Швындиной в июле 2015 года стала одним из победителей фотоконкурса НИТУ «МИСиС» «Бесконечная наука», который присоединился к проекту Европейского конкурса научных фотографий. Работа ученых университета вошла в число 35 финалистов. Всего на конкурс было представлено более 3000 работ.
Увидеть выставку фотографий-финалистов, в том числе «Поцелуй», можно с 1 по 14 марта 2016 года в Дарвиновском музее.
Организатор конкурса — «Викимедиа РУ», генеральный партнер — ГК «Роскосмос».



