22 марта 2016 года в московском Mercury City Tower состоялась торжественная церемония награждения победителей и призеров российского финала «Европейского конкурса научной фотографии и визуализации — 2015».
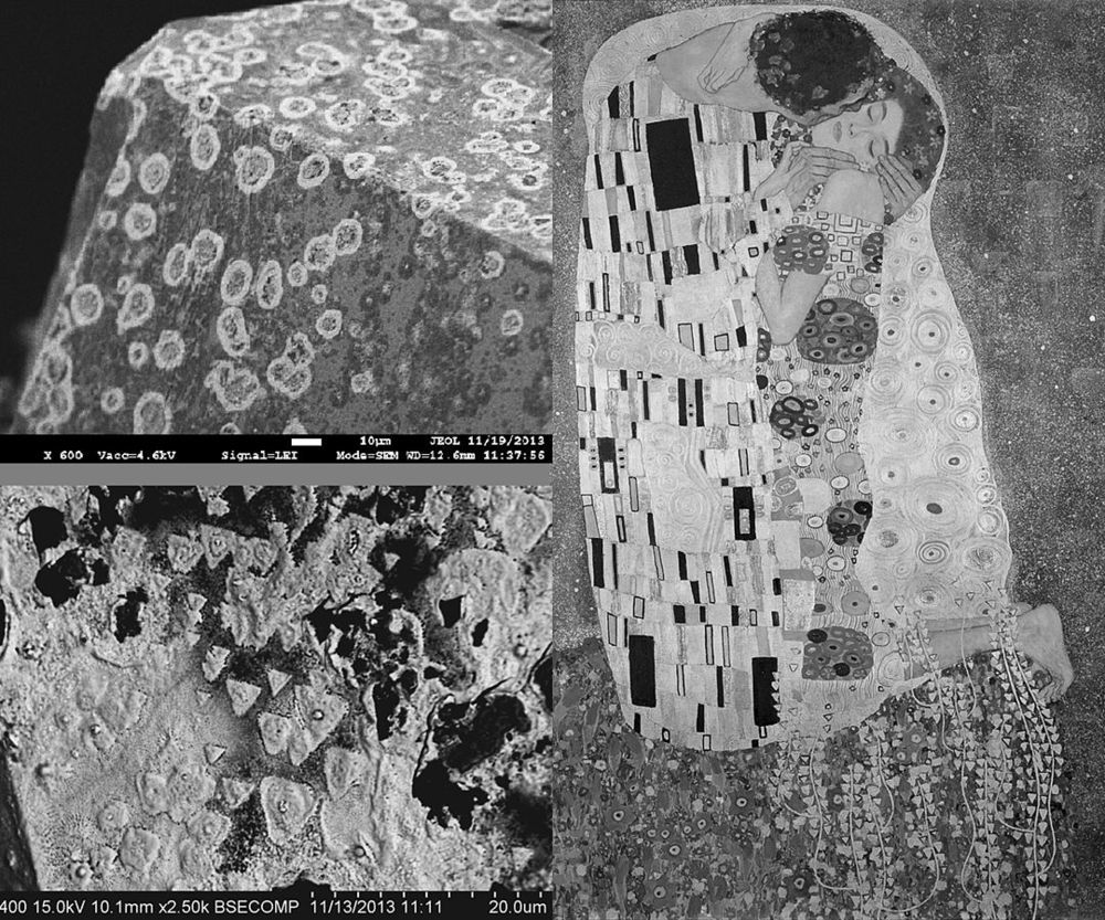
Фотография «Поцелуй», сделанная учеными университета — Дарьей Сидоренко и Натальей Швындиной из Научно-учебного центра самораспространяющегося высокотемпературного синтеза НИТУ «МИСиС» для конкурса «Бесконечная наука», вышла в финал российской части панъевропейского конкурса научной фотографии и визуализации Science Photo Competition.
На фотографии изображено покрытие карбида вольфрама на алмазном зерне, защищающее его от графитизации при повышенных температурах (например, во время эксплуатации алмазного режущего инструмента). Покрытие образовалось самопроизвольно, по механизму газотранспортных реакций, во время спекания алмазов с металлической матрицей системы Fe-Cu-Co-Ni. Кольцевая форма зерен обусловлена прилеганием к алмазу зерен матричного материала, содержащих металлы-катализаторы графитизации. Вокруг них зарождается покрытие карбида вольфрама. Треугольные структуры на поверхности алмаза обусловлены формой поверхностных дефектов алмазного зерна.
Полученные узоры напоминают не только мозаичную технику Густава Климта, но и создают ассоциацию с сюжетом картины «Поцелуй», на которой мужчина бережно обнимает женщину, укрывая ее от внешнего мира. Фотографии получены с помощью сканирующих электронных микроскопов JSM-7600F (JEOL, Япония) и Hitachi S-3400N (Япония).






